更新時間:2025-08-20
氣動法蘭軟密封蝶閥是一種通過氣動執行機構控制閥門開閉的閥門裝置,廣泛應用于工業生產過程中的流體控制系統中。它結合了蝶閥和軟密封兩種技術,具有較好的密封性能和控制性能。
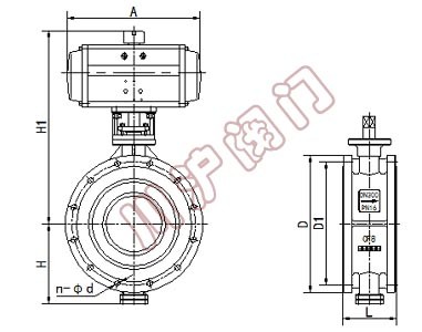
1.結構特點
氣動法蘭軟密封蝶閥由閥體、閥板、閥桿、密封元件和氣動執行機構等組成。閥體呈現圓形或橢圓形,閥板位于閥體內部,通過閥桿與氣動執行機構相連。密封元件通常采用柔性材料制成,如橡膠、聚四氟乙烯等,以實現良好的密封效果。
2.工作原理
當氣動執行機構接收到來自控制系統的信號時,會通過壓縮空氣或其他氣體,將動力傳遞給閥桿,使閥板旋轉,從而改變閥門的通斷狀態。密封元件的設計和結構使得閥門在關閉狀態下具有較好的密封性能,能夠有效防止流體的泄漏。

3.優點
◆ 快速響應:氣動執行機構的特點決定了閥門的快速開閉動作,使得流體控制能夠迅速響應和調整。
◆ 良好的密封性能:采用柔性密封元件,能夠有效防止泄漏,提供可靠的密封性能,適用于高要求的控制系統。
◆ 大流量能力:蝶閥的結構特點使得它具有較大的流量能力,能夠滿足大流量流體的控制需求。
◆ 體積小、重量輕:相對于其他類型的閥門,氣動法蘭軟密封蝶閥體積小、重量輕,便于安裝和維護。
4.應用領域
氣動法蘭軟密封蝶閥廣泛應用于石油、化工、電力、冶金、水處理等行業的流體控制系統中。常見的應用場景包括調節流量、截斷流體、分配流體等。
5.注意事項
◆ 定期檢查密封元件的磨損情況,及時更換損壞的密封元件,以保證閥門的密封性能。
◆ 注意閥門的使用壓力和溫度范圍,避免超過閥門的額定參數。
◆ 對于特殊介質,應選擇適合的密封材料,以保證閥門的可靠性和使用壽命。
◆ 定期維護和保養閥門,檢查氣動執行機構的工作狀態和密封性能,確保閥門的正常運行。
6.結構圖

在實際應用中,根據具體的工藝需求和參數要求,選擇合適的閥門型號和配置組合,以實現流體控制的準確、穩定和可靠。